首页
>
体育高考
>
最新信息
>
广东体育高考
>
佛山体育高考
>
广东佛山2025年体育特长生考试招生工作的通知
广东佛山2025年体育特长生考试招生工作的通知
时间:2025-03-07 15:43:00 来源:佛山市教育局 [字体:
小
中
大
]
【#
体育特长生
# #
广东佛山2025年体育特长生考试招生工作的通知
#】
©
无忧
考网从佛山市教育局了解到,广东佛山2025年体育特长生考试招生工作的通知已公布,具体如下:
=体育高考试题推荐=
查看体育特长生全部真题 >>
=体育高考文档推荐=
2022年广东佛山体育高考考试时间:2022年1月10日-19日
查看体育特长生全部文档 >>
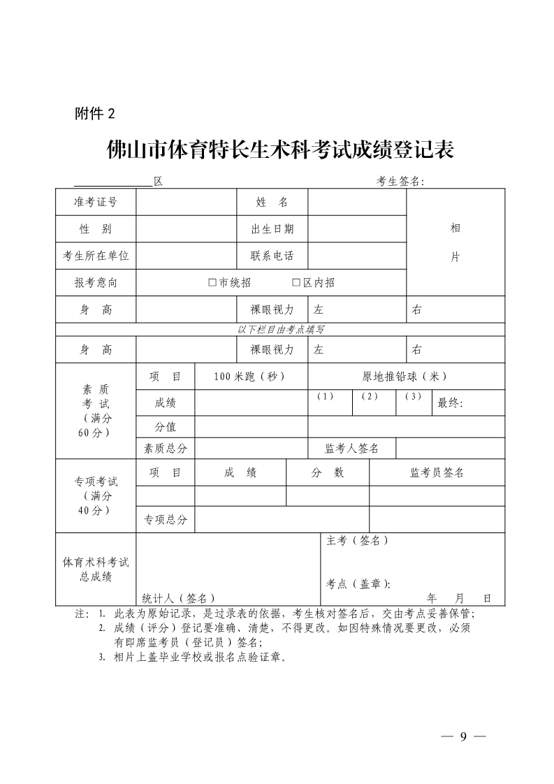
广东佛山2025年体育特长生考试招生工作.docx
立即下载Word高清文档,方便收藏和打印(1096字)
编辑推荐:
下载Word文档
体育高考广东热点文章排行榜
广东2025年普通高校体育类专业招生报名及考试办法
广东佛山2025年体育特长生考试招生工作的通知