【文档名称】 2007年注册给排水工程师专业案例考试真题上午卷(Word版).doc
【文档格式】 Word版
【文档下载】 点击下载WORD文档
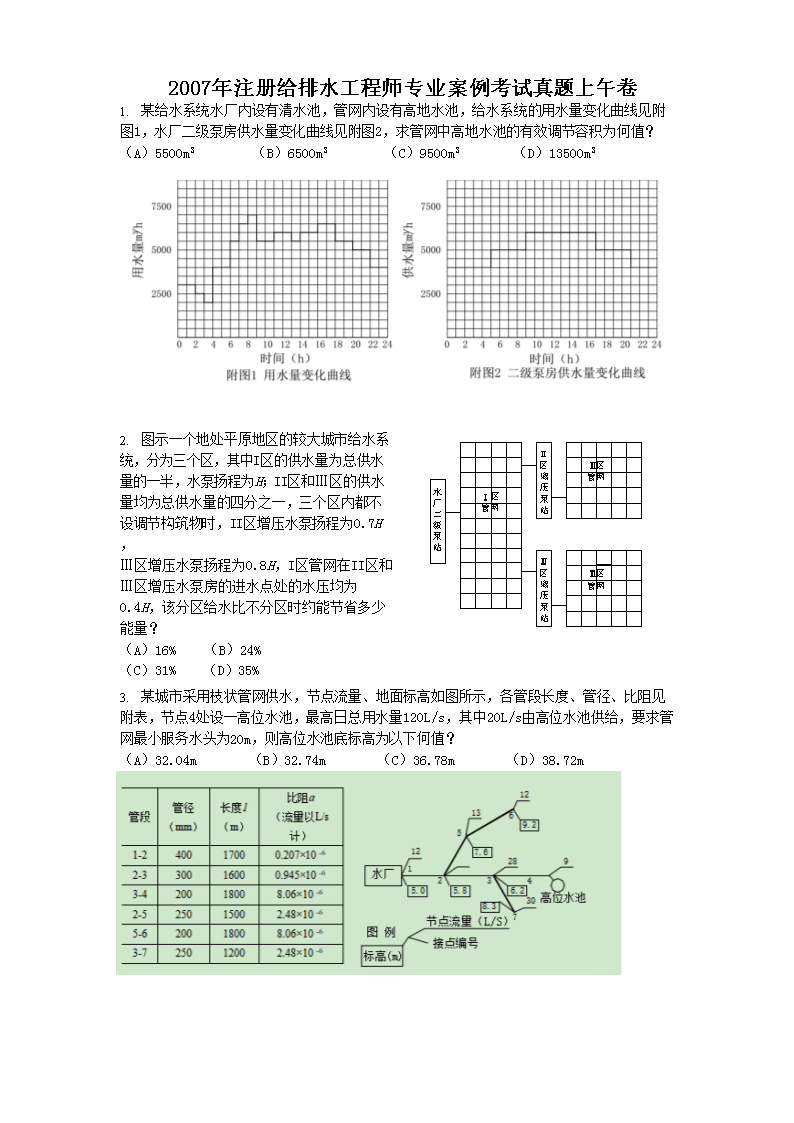
【文档预览】 无忧考网整理发布2007年注册给排水工程师专业案例考试真题上午卷(Word版),前五页预览如下:





【文档名称】 2007年注册给排水工程师专业案例考试真题上午卷(Word版).doc
【文档格式】 Word版
【文档下载】 点击下载WORD文档
【文档预览】 无忧考网整理发布2007年注册给排水工程师专业案例考试真题上午卷(Word版),前五页预览如下:




