2020年天津河西中考物理真题及答案(图片版)

时间:2020-07-20 15:13:00   来源:天津市教育招生考试院     [字体: ]

【文档名称】 2020年天津河西中考物理真题及答案(图片版).doc

【文档格式】 图片版

【文档下载】 点击下载WORD文档

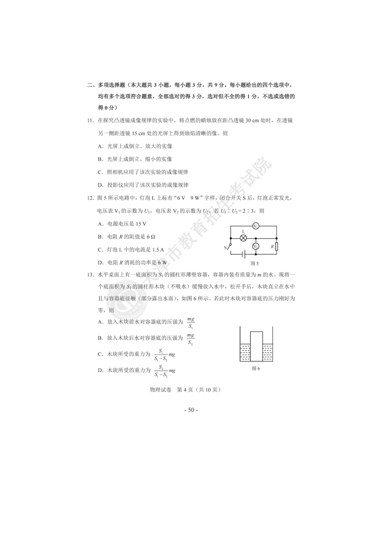
【文档预览】 无忧考网整理发布2020年天津河西中考物理真题及答案(图片版),前五页预览如下: