2020年安徽亳州中考化学真题及答案(Word版)

时间:2020-07-15 15:19:00   来源:无忧考网     [字体: ]

【文档名称】 2020年安徽亳州中考化学真题及答案(Word版).doc

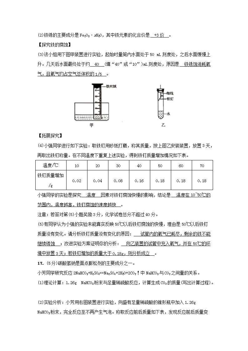
【文档格式】 Word版

【文档下载】 点击下载WORD文档

【文档预览】 无忧考网整理发布2020年安徽亳州中考化学真题及答案(Word版),前五页预览如下: