首页 > 岩土工程师 > 真题题库 > 2005年岩土工程师专业案例考试真题下午卷

2005年岩土工程师专业案例考试真题下午卷(Word版)

时间:2020-07-13 16:47:00   来源:无忧考网     [字体:小 中 大]

【文档名称】 2005年岩土工程师专业案例考试真题下午卷(Word版).doc

【文档格式】 Word版

【文档下载】 点击下载WORD文档

【文档预览】 无忧考网整理发布2005年岩土工程师专业案例考试真题下午卷(Word版),前五页预览如下:


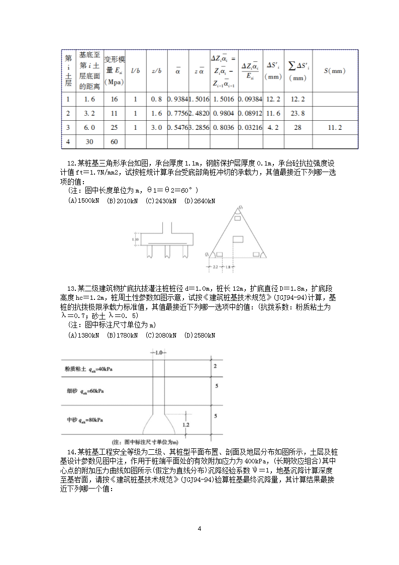
2005年岩土工程师专业案例考试真题下午.doc
立即下载Word高清文档,方便收藏和打印
编辑推荐:
下载Word文档
=岩土工程师试题推荐=
  • 2023年注册岩土工程师专业案例考试真题及答案11月5日上午
  • 2023年注册岩土工程师专业案例考试真题及答案11月5日下午
  • 2023年注册岩土工程师专业知识考试真题及答案11月4日上午场
  • 2023年注册岩土工程师专业知识考试真题及答案11月4日下午场
  • 2022年注册岩土工程师公共基础考试真题及答案
  • 2022年岩土工程师专业知识考试真题及答案-下午卷
  • 2022年岩土工程师专业知识考试真题及答案-上午卷
  • 2016年注册岩土工程师公共基础考试真题及答案
  • 查看岩土工程师考试全部真题>>
岩土工程师热点文章排行榜
  • 2024年注册岩土工程师培训机构哪家好?如何选择课
  • 2024年注册岩土工程师考试合格标准(已公布)
  • 2024年注册岩土工程师成绩查询时间及查分入口(1
  • 2025年注册岩土工程师预计报名时间8月20日-9
  • 注册岩土工程师考试科目 25年环球畅学口碑班课程推
  • 2025年注册岩土工程师考试报名入口(8月18日-
  • 岩土工程师报考条件 基础课专业课培训课程推荐!
  • 岩土工程师考试难度大吗?2025环球网校自学班基础