
根据《榆林市普通中学设立“奥体班”工作方案的通知》(榆政体发〔2020〕45号)及《靖边县教育和体育局关于设立初中“奥体班”工作方案》(靖政教体发〔2020〕260号)的文件精神,结合我校实际, 2023年秋季我校将在七年级设立“奥体班”,招收体育类特长生54人。为搞好本次专业测试,学校成立工作领导小组,全面负责本次专业考试的各项工作。
一、检录时间
2023年7月21日7:00-7:30
二、测试时间
田径:7:30—8:30
篮球:8:40—9:30
足球:9:40—10:30
乒乓球:10:40—11:00
三、测试地点
靖边县第六中学操场、乒乓球室。
四、测试内容
1、田径专项考试:总分100分
①男子:50m(100分),1000m(100分),立定跳远(100分),最后求平均值。
②女子:50m(100分),800m(100分),立定跳远(100分),最后求平均值。
备注:考生考完800m或1000m后将运动员道次服交到终点处。
2、篮球专项考试:总分100分

3、足球专项考试:总分100分
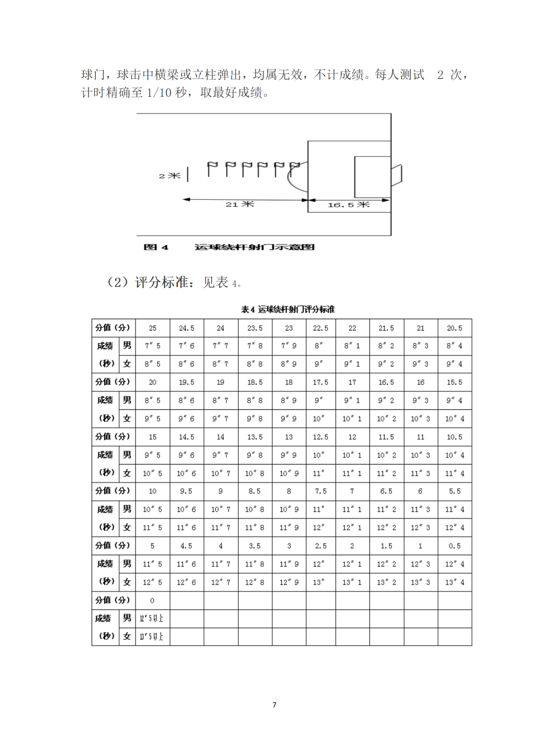
①锋卫队员考试项目:颠球25分、定位传球25分、运球绕杆射门25分、体能25分8×50米,共计100分。
②守门员考试项目:颠球25分、定位传球25分、掷远与踢球25分、体能测试25分8×50米,共计100分。
4、兵乓球专项考试:总分100分
①反手推球:25分(16次、其中达标15分,技术评分10分)。
②正手攻球:25分(16次、其中达标15分,技术评分10分)。
③左推右攻:25分(30次、其中达标15分,技术评分10分)。
④体能测试:25分(8×50米往返跑)。
五、考生须知
1.所有考生在考试前打印并填写靖边六中2023年小升初“奥体班”招生考试报名表(附件5),一式两份(照片要近期免冠2寸,报考项目只能在足球、篮球、乒乓球、田径中任选一项),于7月21日早7:00带考试报名表进入校园,由专人带到指定的地点进行检录,后由专人带到指定地点进行测试,迟到考生一律禁止进入考点。
2.所有家长一律不准进入校园,在校门口外等候。
3.考生在考场内必须严格遵守考试纪律,对于违反考试规定和不服从考试工作人员管理者,取消测试成绩。
4.考生有下列情形之一的,取消其考试资格:
(1)提供虚假信息、伪造相关证件、冒名顶替的;
(2)故意损坏考试设施的;
(3)故意扰乱考点、考场秩序的;
(4)妨碍考试工作人员履行管理职责的;
(5)威胁、侮辱、诽谤、诬陷考试工作人员的;
(6)有其他违规、作弊行为的。
5.考生有既往病史或其他疾病,如心脑血管病、癫痫、呼吸系统疾病等,不得参加本次测试。对于隐瞒既往病史或其他疾病的,造成一切后果责任自负。
6.本测试的最终解释权归靖边县第六中学。









