2005年广东省湛江市中考物理真题及答案(Word版)

时间:2022-03-30 19:09:00   来源:无忧考网     [字体: ]

【文档名称】 2005年广东省湛江市中考物理真题及答案(Word版).doc

【文档格式】 Word版

【文档下载】 点击下载WORD文档

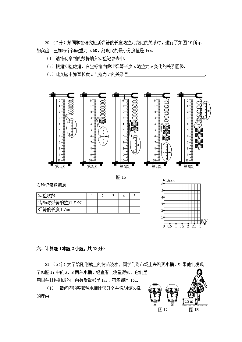
【文档预览】 无忧考网整理发布2005年广东省湛江市中考物理真题及答案(Word版),前五页预览如下: